Levy Max Wiring Diagram
OLD
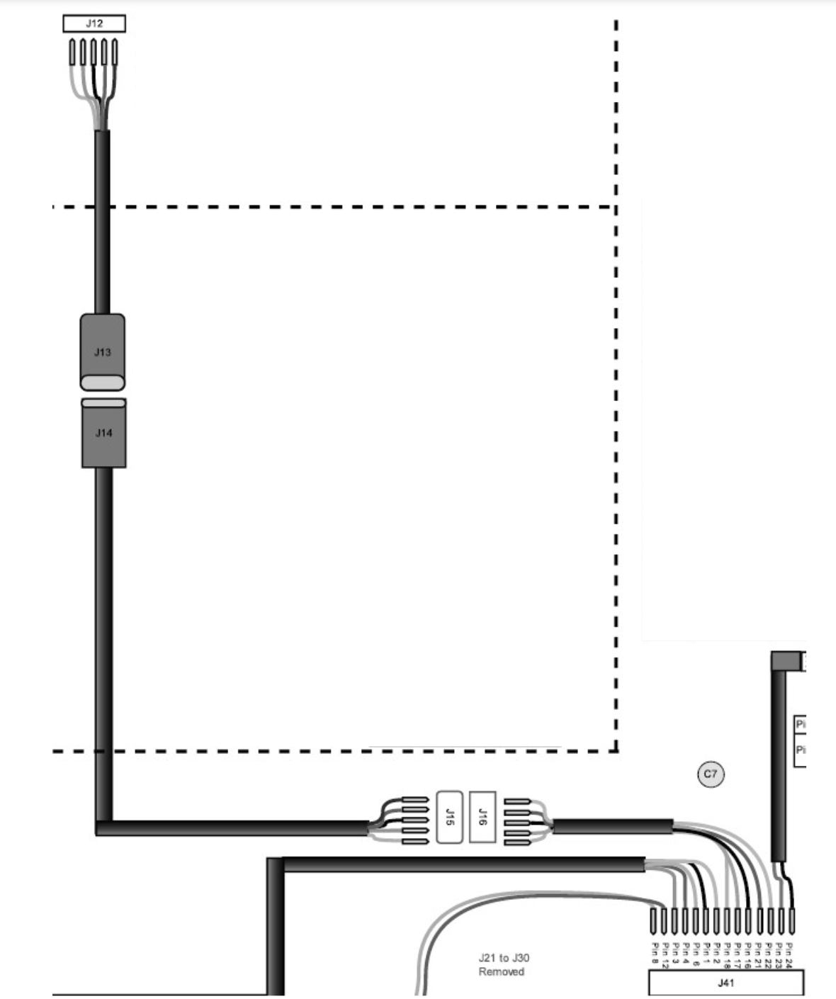
J41 J16 J15 J14 HIGO CONN J13 OMNI CONN J12 OMNI IOT ASI CONTROLLER Pin Color Signal Pin Color Signal Pin Color Signal Pin Color Signal Pin Color Signal Pin Color Signal 21 Red B+ 4 Red B+ 4 Red B+ 1 Red B+ 1 Blue B+ 4 Blue B+ 17 Green RX 2 Green RX 2 Green TX 4 Green TX 4 Black TX 2 Black TX 18 Yellow TX 1 Yellow TX 1 Blue RX 3 Blue RX 3 Yellow RX 1 Yellow RX 22 Blue KEY 5 Blue KEY 5 Black KEY 5 Black KEY 5 Red KEY 5 Red KEY 16 Black GND 3 Black GND 3 Yellow GND 2 Yellow GND 2 Green GND 3 Green GND
NEW
J41 J16 J15 J14 HIGO CONN J13 OMNI CONN J12 OMNI IOT ASI CONTROLLER Pin Color Signal Pin Color Signal Pin Color Signal Pin Color Signal Pin Color Signal Pin Color Signal 21 Red B+ 4 Red B+ 4 Red B+ 1 Blue KEY 1 Blue KEY 4 Blue B+ 17 Green RX 2 Green RX 2 Green RX 2 Green RX 2 Green RX 2 Black TX 18 Yellow TX 1 Yellow TX 1 Yellow TX 3 Yellow TX 3 Yellow TX 1 Yellow RX 22 Blue KEY 5 Blue KEY 5 Blue KEY 4 Black GND 4 Black GND 5 Red KEY 16 Black GND 3 Black GND 3 Black GND 5 Red B+ 5 Red B+ 3 Green GND
J41 J16 J15 J14 HIGO CONN J13 OMNI CONN J12 OMNI IOT ASI CONTROLLER Pin Signal Pin Signal Pin Signal Pin Signal Pin Signal Pin Signal 21 B+ 4 B+ 4 B+ 1 KEY 1 KEY 4 B+ 17 RX 2 RX 2 RX 2 RX 2 RX 2 TX 18 TX 1 TX 1 TX 3 TX 3 TX 1 RX 22 KEY 5 KEY 5 KEY 4 GND 4 GND 5 KEY 16 GND 3 GND 3 GND 5 B+ 5 B+ 3 GND

Was this article helpful?
Related Articles
Brake Pad and Caliper Replacement
Estimated Time to Complete: 15 minutes Tools Required: 5mm wrench Parts Required: New brake pads: Purchase here Caliper: Purchase here (Optional if needing of replacements) Caliper Bolts: Purchase here Break Pad Replacement Your first step will be to remove the caliper from the disk. You …
How do you charge your electric scooter batteries
All current models of Levy Electric Scooters, including Levy Fleets, utilize swappable battery packs. Batteries can be charged either while inside the scooter or removed and charged independently outside the scooter. The charging port is the same on both the vehicle and the battery itself, mea…
My tire is punctured / flat
As replacing / repairing tires requires disassembly of the scooter and proper tools to change the tire, we recommend taking your scooter to a mechanic / bike shop that is experienced with tire replacements. For Tubeless Tires If you get a flat and your tires are tubeless, it's possible to seal …


